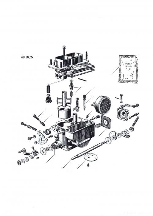
Ferrari » 206 » Vergaser DCN